您的當前位置:首頁 > 產品知識 > 更多產品知識 > 球磨機的種類介紹
作者:紅星機器 發布時間:2019-04-08 09:24:58
球磨機主要的工作部分是回轉圓筒,一般是兩端支承,一端出料并由電動機經過傳動裝置變速后帶動,另一端喂料。筒中裝有球、段、棒等研磨介質,與物料一起被回轉筒體不斷帶起拋落沖擊、研磨將物料磨碎。球磨機具體類型很多,其差別在于所裝載的研磨介質、進出料方法、傳動與支承方式的不同。各種型式球磨機,現歸納如下。

各種型號的球磨機
1、球磨機:筒體內裝鋼球或鋼段,這種球磨機使用普通。
2、棒磨機:簡體內裝鋼棒作為粗磨機介質,這種磨機產品粒度均勻。
3、礫磨機:用礫石、卵石、瓷球為研磨介質,花崗巖、瓷料等襯板,用于生產白色或色彩水泥以及陶瓷工業用。

球磨機

球磨機車間
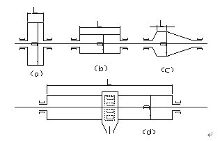
1、短筒形球磨機:筒體長度與直徑之比L/D?1.0~1.5(圖1中a、c),一般用于粗磨或一級磨。
2、長筒形球磨機:筒體長度和直徑之比L/D?1.5(圖1中b、d),當L/D之值增加至3~7則稱為管磨機,管磨機內部分隔為幾個倉,稱為倉式管磨機,這種磨機在水泥廠用的較多。
3、圓錐形球磨機。筒體仍為圓筒形,兩端蓋成圓錐形,其L/D=0.25~1.0,如圖1中(c)所示。

圖 1 球磨機按筒體形狀及卸料方式分類
1、中心卸料。這種球磨機出料口是在球磨機中心軸孔,其中又分為:
(1)溢流式中心卸料:如圖2中a、c,這種球磨機在粉磨時,磨內料面必須高出卸料口,而使物料溢流而出,工作時料球裝的多,磨內結構簡單,而操作不靈活,粉磨過程不宜調整。
(2)格子式卸料球磨機:為克服上述缺陷在磨尾裝有格子式提升板以幫助卸料,如圖2中b,這類球磨機在水泥廠多。
2、周邊卸料。
這種球磨機的卸料是在筒體的周壁,如圖表2中d,實際上它相當于兩臺端部周邊卸料球磨機的合體,而使設備緊湊,材料省,單位動力產量高,為新的一種球磨機,多用于有選粉機的圈流系統。
1、中心傳動。由卸料端經空心軸直接與減速機出軸聯接,由電動機帶動,傳動軸的中心與簡體中心線一致(圖2中a)。
2、邊緣傳動球磨機。這種球磨機的傳動裝置是將電動機的動力經過減速機后,傳到與球磨機筒體中心線相平行的傳動軸上,在經過這根軸上的齒輪帶動裝在球磨機筒體上的大齒輪,使球磨機回轉(圖2中b)。
3、摩擦傳動。仍屬于邊緣傳動球磨機,它是由安裝在筒體上的輪帶與主動軸上的拖輪相摩擦而傳動。

圖 2 球磨機按傳動裝置分類
球磨機本身是一種將礦石磨成粉末的設備,在選礦過程中會一邊磨礦一邊加水,此時球磨機將礦石磨成礦漿,然后礦漿再用于進一步的選礦作業,如磁選,或者浮選。這種球磨機就是濕式球磨機。如下圖所示 :

另外,球磨機也可以不加水直接工作,此時球磨機可以將礦石磨成粉,干燥的粉末,也可以是非金屬,如陶瓷,粘土,玻璃原料,瓷磚原料,耐火材料等,這種球磨機叫干式球磨機。如下圖所示:

干式球磨機現場
其他還可以按支承方式分為軸承支承與托錕支承,或兩者混合支承等。按工藝和操作又分為干法磨和濕法磨,間歇磨和連續式磨,其中間歇磨多作為化驗室的試驗磨,工業生產都用大型連續式磨。
本篇內容于 2019-04-08 09:24:58 已補充更新想讓資深工程師為您設計生產方案?想獲取全套設備優惠報價單?請留言,專業經理即刻開始為您一對一服務!(不用擔心信息泄露,我們將為客戶提供信息保密服務!)
來廠考察即可獲取資深工程師為您設計方案
多機型現貨可選,簽訂合同,2天內發出
售后團隊親臨現場,指導設備安裝、試車,完成交付
跟蹤砂場運營情況,提供生產運營指導,保障砂場快速盈利
河南紅星機器無論是從白鎢礦球磨機方面還是廠家自身方面都要好于其它廠家,且生產的設備能為客戶創造更大的效益,投資少,回報還...
201608.17
查看詳情球磨機主要用于經破碎機破碎后的物料的研磨作業,有干式和濕式兩種研磨方式,客戶可以根據實際情況選擇合適的研磨方式,用途也非...
201608.09
查看詳情球磨機是礦石研磨加工過程中不可或缺的設備,隨著我國工業領域的迅速發展,對球磨機的需求量也越來越多,導致球磨機品牌也隨之增...
201608.04
查看詳情球磨機主要用于破碎后的物料的研磨作業,有干式和濕式兩種研磨方式,對物料的研磨效果非常的好,廣泛應用在水泥、耐火材料、玻璃...
201607.30
查看詳情紅星機器自成立以來,一直致力于礦山設備的開發、研制,所生產的礦山設備,在河南市場上占有一定的數量,況且企業在市場上也占有...
201605.25
查看詳情球磨機是物料被破碎之后,再進行粉碎的關鍵設備,廣泛用于選礦、建材、化工等行業領域,紅星機器針對當前節能減排要求,研發的新...
201112.09
查看詳情河南紅星礦山機器有限公司 總部地址:中國鄭州高新技術產業開發區檀香路8號
工程師免費設計方案已有162位獲得心儀的方案
算一算 搭配一條合適的生產線需要多少錢?
點擊獲取報價